IMG_6316.jpg

Sound and Movement

 

Sound and Movement

Adding an Extra Layer of Sound

Screen+Shot+2019-10-08+at+11.28.08.jpg

The Pepper Mill

In this pepper mill you have two main kinds of sounds. The first, and common one, is the sound of the pepper being ground by the mill. The second is the extra layer of sound added. In the top of the mill, there is a bell which as you turn, makes a quiet sound and when, after use, you shake it to get the remaining ground pepper out of the mill at the bottom, you hear the bell even louder.

Screen%2BShot%2B2019-10-08%2Bat%2B11.28.16.jpg

The Salt Shaker

Normally in a salt shaker, the salt just goes from the bottom, straight to the top, making much less sound. In my design I tried to add extra sounds by creating horizontal walls the salt will hit when the shaker is used. I tried adding even more sound by adding different materials to it such as rice, beads and wooden beads. Finally, I ended up using wooden beads as they made the best added sound within the shaker. Due to the hidden horizontal walls, you also have to continuously shake it to get salt out; directly linking the function with the movement and sound.

Screen%2BShot%2B2019-10-08%2Bat%2B11.28.25.jpg
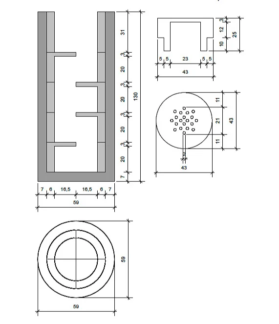
Screen+Shot+2019-10-08+at+11.28.34.jpg

Here you see the composition and dimensions of the top and bottom of the Pepper Mill. All parts are 3D printed. In the technical drawing, you can see all the dimensions of the parts that had to be made precisely in order to fit the CrushGrind mill mechanism I used.

Screen+Shot+2019-10-08+at+12.01.02.jpg
Screen+Shot+2019-10-08+at+11.28.59.jpg

The salt shaker consists of many parts. There is the outside bottom and the inside walls, as well as a printed screw system for the top of the shaker.

Screen+Shot+2019-10-08+at+12.18.08.jpg

To experiment with a different way to make the sound without destroying the Mill I already had, I printed shorter tops and one short bottom. The flaps hit against the zig-zag bottom to create more sound when the Pepper Mill is turned.